GE IS200TBAIH1CDD
  • GE IS200TBAIH1CDD GE IS200TBAIH1CDD
  • GE IS200TBAIH1CDD GE IS200TBAIH1CDD
  • GE IS200TBAIH1CDD GE IS200TBAIH1CDD

GE IS200TBAIH1CDD

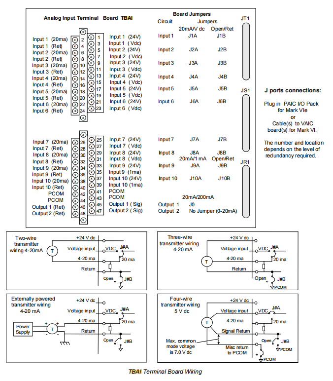
GE IS200TBAIH1CDD adalah papan terminal input analog 16 saluran yang dirancang oleh General Electric untuk sistem kontrol proses dan turbin Mark VIe dan Mark VIeS yang canggih. Board ini adalah komponen antarmuka fisik utama dalam arsitektur sistem I/O Mark VIe.

mengirimkan permintaan

Deskripsi Produk

Pembuatan
GE
Nomor Model
IS200TBAIH1CDD
Seri
Tandai VIe
Negara Asal
Amerika Serikat
KODE HS
8504902000
Dimensi
20*5*5cm
Dimensi Pengepakan
20*5*5cm
Berat
0,7kg

Ikhtisar Produk

GE IS200TBAIH1CDD adalah papan terminal input analog 16 saluran yang dirancang oleh General Electric untuk sistem kontrol proses dan turbin Mark VIe dan Mark VIeS yang canggih. Board ini adalah komponen antarmuka fisik utama dalam arsitektur sistem I/O Mark VIe. Fungsi intinya adalah untuk membangun sambungan listrik yang aman, andal, dan terstandarisasi antara instrumen lapangan dan modul pemrosesan I/O internal sistem kontrol. IS200TBAIH1CDD tidak melakukan pemrosesan atau konversi sinyal. Ini adalah hub kabel berdensitas tinggi tanpa daya. Sinyal analog standar seperti 4-20mA atau ±10V DC dari lapangan dihubungkan ke papan terminal ini melalui kabel berpelindung, dan kemudian sinyal ditransmisikan ke modul VAIC yang dipasang di rak I/O kabinet kontrol melalui kabel pita khusus dengan kepadatan tinggi. Desain terpisah "papan terminal + kabel pita + kartu I/O" ini merupakan fitur khas sistem Mark VIe, yang secara signifikan menyederhanakan pemasangan kabel di lokasi, pemeliharaan sistem, dan pemecahan masalah kesalahan.

Fitur dan Keunggulan Produk

Mencapai pemisahan lengkap dari "lapisan fisik" dan "lapisan elektronik" - landasan keandalan sistem

Dalam lingkungan industri, kesalahan pengkabelan, korsleting kabel, dan lonjakan tegangan yang diinduksi adalah sumber kesalahan yang umum. TBAI, sebagai papan terminal pasif, bertindak sebagai "firewall" pertama. Gangguan listrik apa pun yang terjadi di sisi lapangan akan terbatas pada papan terminal dan kabel yang terhubung, dan tidak akan langsung merambat ke modul prosesor VAIC I/O yang mahal dan presisi. Sekalipun papan terminal rusak karena kondisi ekstrem, biaya dan waktu penggantian jauh lebih rendah daripada mengganti kartu I/O yang mengintegrasikan sirkuit pengkondisi sinyal kompleks dan chip ADC.

Dengan memisahkan secara fisik area pengkabelan medan kebisingan tinggi dari area elektronik kontrol kebisingan rendah, desain EMC sistem Mark VIe disederhanakan. Modul VAIC dapat ditempatkan dalam posisi yang lebih bersih dan terlindung di dalam kabinet kontrol, sementara papan TBAI menangani semua sambungan lapangan yang kotor. Strategi partisi ini secara signifikan meningkatkan kemampuan anti-interferensi seluruh sistem I/O.

Mode pemeliharaan di luar kabinet yang revolusioner merupakan pengganda efisiensi operasional

GE IS200TBAIH1CDD ramah perawatan di seluruh siklus hidupnya, mulai dari pelaksanaan proyek, inspeksi harian hingga penanganan kesalahan dan perombakan besar-besaran peralatan. Personel pemeliharaan hampir tidak perlu membuka pintu kabinet kendali utama. Insinyur instrumen dapat secara mandiri menyelesaikan semua tugas di papan terminal:

Injeksi sinyal menggunakan generator sinyal untuk menyuntikkan sinyal standar 4-20mA pada terminal untuk memverifikasi apakah seluruh rantai sinyal dari papan terminal ke HMI normal.

Putuskan sambungan jalur keluaran instrumen dan langsung sambungkan instrumen kalibrasi pada terminal untuk mengkalibrasi titik/rentang nol pemancar lapangan, tanpa mempengaruhi pengoperasian sistem kontrol.

Ketika sinyal AI tidak normal, teknisi terlebih dahulu mengukur sinyal di papan terminal. Jika sinyalnya normal, masalahnya terletak pada sisi sistem; jika sinyalnya tidak normal, masalahnya terletak pada sisi lapangan. "Metode penentuan posisi biner" ini mengurangi waktu perbaikan kesalahan rata-rata lebih dari 50%.

Dukungan untuk operasi hot-swapping Dalam sistem Mark VIe yang dikonfigurasikan dengan modul VAIC redundan, jika papan terminal TBAI itu sendiri perlu diganti, papan tersebut dapat diputuskan dari kabel yang dipelintir dan diganti saat sistem sedang berjalan, mencapai pemeliharaan "zero downtime" yang sebenarnya, mengikuti prosedur keselamatan yang ketat.



Evolusi produk dan perkembangan teknologi

Evolusi arsitektur GE I/O dengan jelas menunjukkan jalur dari integrasi ke pemisahan dan kemudian ke kecerdasan:

Pada masa-masa awal DCS/PLC, pendekatan yang umum dilakukan adalah dengan menghubungkan kartu I/O secara langsung, yang mana hal ini sulit untuk dipelihara dan mempunyai risiko yang tinggi.

Di era Mark VIe, arsitektur I/O inovatif yang benar-benar terpisah diperkenalkan. Munculnya papan terminal TBAI/TBAO adalah hasil dari upaya ekstrim dalam menjaga kemampuan perawatan dan keandalan dalam praktik teknik. Konsep desain ini terbukti sangat sukses dan telah diadopsi oleh banyak produsen DCS kelas atas lainnya.

Mark VIeS & Beyond saat ini dan masa depan:

Arsitektur ini melanjutkan arsitektur terpisah yang sepenuhnya matang dan andal dari sistem Mark VIeS. Peran dewan terminal TBAI tidak berubah.

Meskipun terminal cerdas saat ini bersifat pasif, tren industri mengarah ke terminal cerdas aktif. Papan terminal masa depan dapat mengintegrasikan stasiun master IO-Link atau multiplexer HART, yang tidak hanya dapat mengirimkan sinyal utama tetapi juga membaca informasi diagnostik dan konfigurasi instrumen.

Suplemen nirkabelisasi ditujukan untuk titik pemantauan yang tidak kritis atau sulit dihubungkan dengan kabel. Pemancar nirkabel menjadi pelengkap yang kuat untuk TBAI berkabel, namun loop kontrol kritis masih sebagian besar menggunakan kabel.


Tag Panas:

Kategori Terkait

mengirimkan permintaan

Jangan ragu untuk memberikan pertanyaan Anda dalam formulir di bawah ini. Kami akan membalas Anda dalam 24 jam.
X
Kami menggunakan cookie untuk menawarkan Anda pengalaman penelusuran yang lebih baik, menganalisis lalu lintas situs, dan mempersonalisasi konten. Dengan menggunakan situs ini, Anda menyetujui penggunaan cookie kami. Kebijakan Privasi
Menolak Menerima