GE IS200TTURH1CED
  • GE IS200TTURH1CED GE IS200TTURH1CED
  • GE IS200TTURH1CED GE IS200TTURH1CED
  • GE IS200TTURH1CED GE IS200TTURH1CED

GE IS200TTURH1CED

Merek: GE
Deskripsi: papan terminal keluaran
Kondisi: Baru
Sertifikat: SURAT GARANSI LAPORAN UJI COO
Garansi: 1 tahun
Jumlah Persediaan: 14
Jangka Waktu Pembayaran: T/T
Pelabuhan Pengiriman: Xiamen
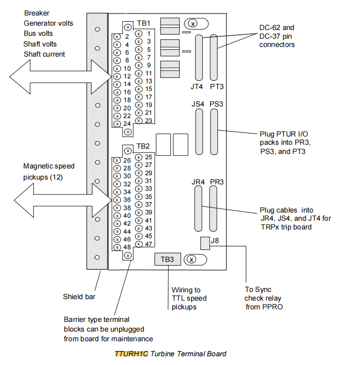
GE IS200TTURH1CED adalah papan terminal keluaran master trip khusus turbin yang sangat andal dan aman yang dirancang oleh General Electric untuk sistem kontrol proses dan turbin Mark VIe dan Mark VIeS yang canggih. Sebagai komponen keamanan utama dari arsitektur I/O terdistribusi Mark VIe, misi inti board ini adalah menjalankan perintah pematian akhir yang tidak dapat diubah dari pengontrol.

mengirimkan permintaan

Deskripsi Produk

Pembuatan
GE
Nomor Model
IS200TTURH1CED
Nomor Pemesanan
IS200TTURH1CED
Katalog
Markus VI
Negara Asal
Amerika Serikat
KODE HS
8479909090
Dimensi
233×160mm
Berat
0,32kg

Ikhtisar Produk

GE IS200TTURH1CED adalah papan terminal keluaran master trip khusus turbin yang sangat andal dan aman yang dirancang oleh General Electric untuk sistem kontrol proses dan turbin Mark VIe dan Mark VIeS yang canggih. Sebagai komponen keamanan utama dari arsitektur I/O terdistribusi Mark VIe, misi inti board ini adalah menjalankan perintah pematian akhir yang tidak dapat diubah dari pengontrol. IS200TTURH1CED menerima sinyal elektronik dari modul prosesor I/O Trip Utama Khusus Turbin Proses dan secara fisik memutus atau menghubungkan sirkuit daya ke aktuator utama seperti katup penutup bahan bakar, katup solenoid trip hidraulik, dan koil trip pemutus sirkuit generator melalui relai elektromagnetik berkapasitas besar dan sangat andal yang terintegrasi secara internal, sehingga mencapai penghentian peralatan listrik inti yang aman, cepat, dan andal seperti turbin gas dan turbin uap. Papan ini bukan sekadar papan relai; itu adalah pelaksana utama dari seluruh fungsi sistem instrumen keselamatan di dunia fisik. Desainnya mengikuti prinsip Fail-Safe dan merupakan garis pertahanan terakhir untuk menjamin keselamatan personel, peralatan, dan lingkungan.

Fitur Fungsi Produk

Menjalankan fungsi keselamatan tertinggi - perjalanan utama

TTURH1CED adalah unit eksekusi fisik terakhir dari logika perlindungan. Ketika pengontrol Mark VIe mendeteksi adanya kondisi yang membahayakan keselamatan peralatan, maka akan mengirimkan perintah trip ke modul PTUR. PTUR kemudian menggerakkan relay pada papan TTUR untuk bertindak, secara langsung memutus pasokan bahan bakar atau memicu trip mekanis, sehingga menghasilkan penghentian darurat dalam hitungan milidetik.

Dukungan arsitektur triple redundan

Desain 3 saluran sangat cocok dengan sistem Mark VIe TMR. Tiga saluran pengontrol independen masing-masing mengontrol satu relai. Hanya ketika setidaknya dua saluran secara bersamaan mengeluarkan perintah trip, sirkuit trip terakhir akan diaktifkan. Desain ini secara signifikan meningkatkan ketersediaan dan keamanan sistem.

Diagnostik tingkat lanjut bawaan, mencegah kegagalan besar

Diagnosis perbandingan Perintah/Umpan Balik adalah fungsi cerdas intinya. GE IS200TTURH1CED tidak hanya memberi tahu Anda bahwa pengontrol ingin pengontrol melakukan trip, namun juga mengonfirmasi bahwa pengontrol melakukan trip. Diagnosis loop tertutup ini merupakan landasan untuk memastikan keandalan jangka panjang dari sirkuit trip utama, yang merupakan fungsi penting dengan tindakan tunggal dan konsekuensi serius.

Desain Aman dari Gagal

Desain seluruh rangkaian trip mengikuti prinsip keselamatan gangguan. Artinya jika terjadi pemadaman listrik, kabel putus, atau kegagalan relai, sistem secara otomatis akan cenderung ke kondisi aman. Misalnya, katup pemutus bahan bakar biasanya dirancang sebagai Fail-Closed, dan relai pada papan TTUR diberi energi dan ditahan di tempatnya saat dalam pengoperasian normal untuk menjaga katup tetap terbuka; setelah papan TTUR kehilangan daya atau menerima perintah trip, relai terlepas, dan katup menutup karena aksi pegas.


Rekomendasi produk terkait

Modul prosesor I/O pendamping

Modul prosesor I/O perjalanan utama khusus turbin IS200PTURH1A adalah otak dari TTURH1CED.

Produk yang sesuai generasi sebelumnya

Papan I/O Mark VI VTUR + Papan Terminal TRPXH1B, IS200TTURH1CED adalah pendahulu langsung IS200TTURH1CED di Mark VIe.

Mekanisme penggerak yang terkendali

Katup pemutus bahan bakar GE SV8/SV12

Katup solenoid sistem oli trip hidrolik (Trip Oil System).

Koil trip pemutus sirkuit outlet generator (GCB)

Tag Panas:

Kategori Terkait

mengirimkan permintaan

Jangan ragu untuk memberikan pertanyaan Anda dalam formulir di bawah ini. Kami akan membalas Anda dalam 24 jam.
X
Kami menggunakan cookie untuk menawarkan Anda pengalaman penelusuran yang lebih baik, menganalisis lalu lintas situs, dan mempersonalisasi konten. Dengan menggunakan situs ini, Anda menyetujui penggunaan cookie kami. Kebijakan Privasi
Menolak Menerima